Srednjevalni predajnik s NE555
Objavljeno: 1. studenoga 2025.
Već duže vrijeme želim ostaviti mali predajnik negdje u šumi i bilježiti što se s njime događa. S obzirom da će predajnik raditi na baterije mora trošiti što manje struje. Snaga predajnika mora biti tek tolika da ga mogu ćuti od kuće. Predajnik također mora biti jednostavan da mi ga ne bude žao ostaviti bez nadzora.
Prvo sam napravio Colpittsov LC oscilator, no izlazna snaga je bila izrazito mala. Krenuo sam raditi pojačalo, ali stvar se ubrzo zakomplicirala. Ubrzo sam odustao jer bi mi u protivnom opet bilo žao ostaviti sav taj trud na milost i nemilost ljudima.
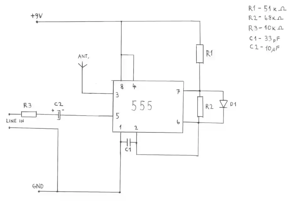
Počeo sam tražiti druge načine za izradu predajnika. Na pamet mi je palo korištenje integriranog kruga NE555.
Kad sam malo bolje proučio vidio sam da može podnijeti struju do 200 mA što bi u kombinaciji s maksimalnom frekvencijom od 1 MHz trebalo biti dovoljno za bazični
srednjevalni predajnik.
U planu mi je bilo korištenje 9V baterije, a možda i spajanje dvije baterije od 4.5V u seriju radi većeg kapaciteta. U svakom slučaju radni napon bio bi 9V. Ne želim prelaziti struju od 100 mA na integriranom krugu što znači da je najveća snaga koju teoretski mogu dobiti 0,9 W.
Za početak sam našao kalkulator za NE555 na internetu i unio željenu frekvenciju, radni ciklus te kapacitet što mi je dalo početne vrijednosti otpornika. Ubrzo sam shvatio da radni ciklus nije 50% nego malo veći. Za smanjenje radnog ciklusa bilo je potrebno staviti diodu s nogice broj 7 na nogicu broj 6. Isprobavanjem sam utvrdio da još treba smanjiti otpor na nogicu broj 7 s plusa sa 68 kΩ na 51 kΩ.
Modulacija je postignuta dovođenjem audio signala na pin broj 5 (CONT). Treba znati da će to prouzročiti, ne samo promjenu amplitude, već i promjenu frekvencije. Zbog toga ne može se postići niti blizu 100% modulacije, a da prijemnik pri tome ne skače sa stanice. Puno je bolje modulirati signal zasebno (na pojačalu, s diodom i slično).

Prilagodba impedancije
Nakon izrade samog sklopa pojavio se problem antene. Na srednjem valu one su izrazito dugačke, a jasno je da predajnik kojeg ću negdje ostaviti mora biti kompaktan. Zato sam namotao zavojnicu koja će, zajedno s kondenzatorom u spoju paralelnog titrajnog kruga, glumiti rezonantnu antenu.
Mislio sam da sam ovime završio priču, no ispada da je impedancija predajnika puno manja od standardnih 50 Ω. Drugim riječima, predajnik neće moći protjerati željenih 100 mA kroz antenu sa samo 9 Vpp. Rješenje je da se poveća napon. Za povećanje napona najjednostavnije je koristiti transformator. U mojem testiranju obični mrežni transformator nije uopće radio tako da sam morao namotati vlastiti koristeći feritne jezgre kojih imam.
Namotao sam dva transformatora. Prvog sam probao namotat odokativno, no ispalo je da ima puno previše namota i na primaru i na sekundaru tako da sam sve ponovio, ovoga puta s računanjem.
Napomena: Nemam pojma je li logika računanja ispravna, no transformator radi pa valjda ima nekog smisla.
- Izračunao sam efektivnu vrijednost napona signala
9Vpp / √2=6,36396V - Namotao sam puno namotaja na primar.
- Mjerio sam struju koju troši sklop s primarom (sekundar još ne postoji) spojenim između izlaza i mase. Odmotavao sam namotaje sve dok struja nije porasla na željenih 100 mA.
- Ispalo je da su 4 namotaja davala željenu struju pa sam izmjerio induktivitet.
- Izmjereni induktivitet je 1,5 µH. Uvrstio sam ga u formulu da dobijem impedanciju primara:
2π × 10⁶Hz × 1,5×10⁻⁶H=9,425Ω - Izmjerio sam otpor antene na 1 MHz:
500Ω + j2kΩ(reaktivnost ću prilagoditi kasnije s kondenzatorom) - U online kalkulator sam ubacio ulaznu impedanciju
od 9Ω te izlaznu od 500Ω. Dobio sam da sekundar mora imati
7,45356puta više namotaja od primara. - Izračunao sam broj namotaja sekundara:
4 × 7,45356=29,81≈30 namotajai namotao ga.
Da bih provjerio radi li transformator kratko sam spojio sekundar i gle čuda, stvarno je potekla struja od 100 mA.
Još je samo ostalo poništiti reaktivni otpor antene serijski spojenim kondenzatorom: 1÷(2π × 10⁶Hz × 82×10⁻¹²F) = 1941Ω.
Sada dobivam željenu snagu na anteni.
Zaključak
Shema je sama po sebi jako jednostavna. Nije potrebno raditi transformator i prilagođavati impedanciju ako to ne želite. Domet bez tih komplikacija je bio unutar moje kuće i dvorišta, domet s komplikacijama najrađe ne bih otkrio jer je sramotno mali za količinu uloženog truda (moja ulica). Očito je da moram poboljšati samu antenu, zavojnica nije antena!